POS motherboards for Intel® Elkhart Lake J6412 Series CPU:WTEHLP2R100
Model:WTEHLP2R100
CPU Type:Intel® Elkhart Lake J6412 Series CPU
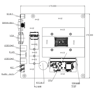
Motherboard Size:170mm *170mm
Memory:Support DDR4-2666/2933/3200MHz, SO-DIMM Slot, Up to 16GB
Stroage:1*M.2 KEY-M 2280 SATA/PCIE adaptive+1*SATA 3.0 Port
GPU:Intel® UHD Graphics
Display Interface:1*VGA(Max.:1920*1200@60Hz,Built-in VGA pin) 1*LVDS1/eDP1 pin(Max.:LVDS 1920*1200@60Hz: eDP 3840x2160@60Hz:eDP colay LVDS (Default LVDS) 1*eDP2 pin(Max.:3840x2160@60Hz,Choose between eDP2 and HMDI) 1*HDMI,Colay DB9 COM(Max.:3840x2160@30Hz
Power Adapter Output:DC 12V power supply, 55/25mm interface
Operating System:Linux/Windows
Product Characteristics:
*Intel® Elkhart Lake J6412 Series CPU
*Support 4*USB 3.0, 6*USB2.0
* Provide VGA, LVDS1/eDP1, eDP2/HDMI display, support single and display double display, three display copy, extended display output
* 1xRTL8111H Gigabit Ethernet
* Support M.2 WIFI, M.2 SSD SATA/PCIE adaptive
* Support cash box pin interface
* Support LPT printer pin
* Support 2 RS232 serial ports (1xDB9, 2x9 pins)
Product Specification:

*Product specifications are subject to change without prior notice
Product Appearance:




